选择分类:当前分类——当前分类
本站推荐:
LM317的最小稳定工作电流
文章长度[1634] 加入时间[2007/1/4] 更新时间[2026/5/11 16:15:50] 级别[0] [评论] [收藏]

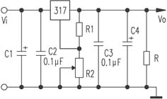
  LM317作为输出电压可变的集成三端稳压块,是一种使用方便、应用广泛的集成稳压块。317系列稳压块的型号很多:例如LM317HVH、W317L等。电子爱好者经常用317稳压块制作输出电压可变的稳压电源(其电路的基本形式如下图所示)。稳压电源的输出电压可用下式计算,Vo=1.25(1+R2/R1)。仅仅从公式本身看,R1、R2的电阻值可以随意设定。

  然而作为稳压电源的输出电压计算公式,R1和R2的阻值是不能随意设定的。首先317稳压块的输出电压变化范围是Vo=1.25V—37V(高输出电压的317稳压块如LM317HVA、LM317HVK等,其输出电压变化范围是Vo=1.25V—45V),所以R2/R1的比值范围只能是0—28.6。其次是317稳压块都有一个最小稳定工作电流,有的资料称为最小输出电流,也有的资料称为最小泄放电流。最小稳定工作电流的值一般为1.5mA。由于317稳压块的生产厂家不同、型号不同,其最小稳定工作电流也不相同,但一般不大于5mA。当317稳压块的输出电流小于其最小稳定工作电流时,317稳压块就不能正常工作。当317稳压块的输出电流大于其最小稳定工作电流时,317稳压块就可以输出稳定的直流电压。如果用317稳压块制作稳压电源时(如图所示),没有注意317稳压块的最小稳定工作电流,那么你制作的稳压电源可能会出现下述不正常现象:稳压电源输出的有载电压和空载电压差别较大。
  要解决317稳压块最小稳定工作电流的问题,可以通过设定R1和R2阻值的大小,而使317稳压块空载时输出的电流大于或等于其最小稳定工作电流,从而保证317稳压块在空载时能够稳定地工作。此时,只要保证Vo/(R1+R2)≥1.5mA,就可以保证317稳压块在空载时能够稳定地工作。上式中的1.5mA为317稳压块的最小稳定工作电流。当然,只要能保证317稳压块在空载时能够稳定地工作,Vo/(R1+R2)的值也可以设定为大于1.5mA的任意值。
  经计算可知R1的最大取值为R1≈0.83KΩ。又因为R2/R1的最大值为28.6。所以R2的最大取值为R2≈23.74KΩ。在使用317稳压块的输出电压计算公式计算其输出电压时,必须保证R1≥0.83KΩ,R2≤23.74KΩ两个不等式同时成立,才能保证317稳压块在空载时能够稳定地工作。当然在317稳压块的输出端并联泄流电阻R(如图所示),也可以为317稳压块提供最小稳定工作电流。但是,由于并联的泄流电阻不能随输出电压的变化而变化,如果要保证317稳压块在输出电压为1.25V时,其输出电流大于其最小稳定工作电流,则在317稳压块的输出电压为37V时,流过泄流电阻的电流就太大了,这样不仅浪费了电能,而且增加了317稳压块的负担,不是一种妥当的办法。

1、 本站不保证以上观点正确,就算是本站原创作品,本站也不保证内容正确。
2、如果您拥有本文版权,并且不想在本站转载,请书面通知本站立即删除并且向您公开道歉! 以上可能是本站收集或者转载的文章,本站可能没有文章中的元件或产品,如果您需要类似的商品请 点这里查看商品列表!