CXA1238 FM立体声收音套件:电路板规格:55×55mm, 收音部分采用CXA1238集成电路,音质优美的FM收音,功放部分采用2822集成电路,本站有配套的光板和不带外外壳的套件出售,大家可以在站内搜索相关产品及文章。下面图片为本站装好的成品,你购买后,要通过自己装配才可以。(使用少数贴片元件,同时也可以练习一上贴片元件的焊接)
套件配套说明:电路板一块,原理图,元件清单,所有元件,制作说明,外壳。
光板如下:

装好的成品图片如下:

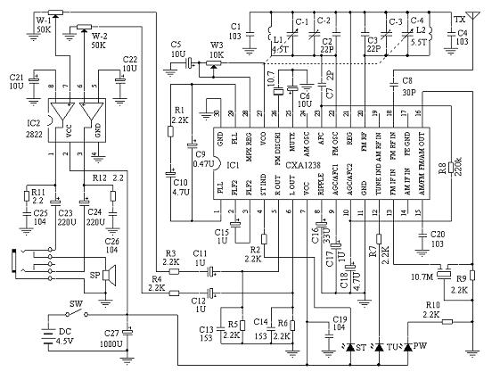
原理和原理图从变压器输出的交流电输入到AC插座,由D1—D4组成的整流桥整流后,输出直流电给整机供电;直流电从DC插座输入。C31、C21、C26为滤波电容,给功放IC 2822和收音集成电路CXA1238供电。CXA1238为SONY公司开发的带AM和FM立体声超外差接收电路,这里只采用了FM立体声接收功能,所以波段选择引脚15脚应为高电平(如为接收AM波段的该脚接地)。高频信号经天线、C8耦合到信号输入引脚18脚,经内部放大,20脚外接的C3、C-4、C-5、L2调谐选出要接收的频率信号送到混频级,22脚外接的C2、C-1、C-2、L1组成本机振荡电路,产生的振荡信号也送入混频级和接收信号混频,从16脚输出10.7MHz的中频信号,经三端陶瓷滤波器滤除10.7MHz以外的信号后从13脚送回内部进行中频放大和立体声解码,最后从5脚、6脚输出左右声道的音频信号送往音量调节电位器,再送由TDA2822组成的功放电路进行音频功率放大,最后从耳机插座输出推动耳机或喇叭发声。 电路原理图:(注 电路板上C16、C17的丝印错了,正确应和下面电路图一样为C16为33UF,C17为1UF,C13、C14改为使用222贴片电容)

查看和发表评论 管理员一般会在8-48小时内回复,会删除无意义的留言以及重复留言,请保证留言标题清晰,内容明确! 1、评论不代表本站观点。 另外,即使是本站原创作品,本站也不保证内容绝对正确。 2、如果您拥有本文版权,并且不想在此处发表,请书面通知本站立即删除并且向您公开道歉! |