4W116粒LED灯杯+板+电源板,没有配元件,需客户自己配齐元件,才能安装。注意:需要配元件的直接买本站的套件就行,特别适合家庭照明使用。
本站专业提供各种高质量、高可靠的LED节能灯套件,让您低价格也能享受到高科技带来的节能、省电、环保等全新体验。在更高亮度的照明效果下,您的照明电费从此会下降到白炽灯泡照明电费的十分之一、日光灯管照明电费的四分之一甚至更低!
你在为你家的灯泡不够亮而烦恼吗?你在为你家电费过多而烦恼吗?你在为地球环境的严重破坏而气愤吗?你在为你初学电子找不到好的套件练手而烦恼吗?
使用节能灯可以简单有效的舒缓全球气候转变。节能灯节能环保之余,又能节省金钱,光效更媲美白炽灯,是白炽灯和日光灯的最佳代替品。 它可以节省 80% 以上的电力。 使用节能灯取代低效能的白炽灯和日光灯,节能灯不但环保,耗电量低,经济省钱,且应用广泛。而且能够让你的焊接技术在实践中得到提高。
尺寸:ф95mm×H90mm 额定电压:180~250VAC,50/60Hz 额定功率:4W 使用场合:适合商用照明,家用照明,壁灯等。
装好的成品如下图所示:

这款LED节能灯的电路板是圆形的。发光二极管也是按照圆圈来排列的,一共有7圈。最内部(相当于圆心位置)有1个led,第二圈有5个led,第三圈有10个led,第四圈有20个led,第五圈有20个led,第六圈有20个led,第七圈(也是最外圈)有40个led。一起就是116粒led,板的正面对每一个led都标有编号,从内到外编号依次递增。
在第58和第59个,它们并没有连接起来,从它们中间划分,刚好两边都是58个,可以有两种接法,一种是串联,一种是并联,可以适合多种电源接法。我们会提供两种电源的电路原理图,供大家参考与制作。
笔者结合自己制作led灯的过程总结出来一些注意事项供大家参考 1. 拿到发光二极管和板的时候,不要急着把发光二极管全部装上去。如果你全部装上去了,会有2个坏处: 第一, 由于发光二极管之间的间距很紧密,会非常难焊 第二, 焊出来的板上的灯会歪歪扭扭。 所以,笔者建议一圈一圈的焊,插一圈焊一圈,再减脚。减完脚再焊下一圈。前四圈焊好后基本都是贴着板的,很好看。后三圈如果不压着它焊就会歪歪扭扭的,可以先把led插上去,焊的时候就找个重一点的东西(如装满水的杯子)把板压住再焊,这样就可以避免它歪歪扭扭。
2.焊的时候还要注意不要在某个发光二极管上焊太久,这样会导致led内部损坏,结果发光微弱,甚至不亮。 严重导致整个节能灯出现故障, 特别是插元件时千万不要要发光二极管插反,否则发光二极管会烧坏。
3.接通电源之前一定要检查发光二极管正负极是否装反。如果有个别装反了却没有检查就接通电源,装反的发光二极管就会不会发光而损坏 ,断电后再将发光二极管调换极性也没有用了。
本套件配用的是本站专用的专用节能灯led 草帽灯透明发白光超亮(零售价0.3元每只,因为配本灯套件批量才会优惠!),寿命长,亮度高,耗电省,其光效是一般白炽灯泡光效的20倍以上。市面上有一些LED节能灯售价较低,那是因为采用了低价格的LED,有些甚至是采用了早期工艺生产的库存LED,实际亮度会大大打折。
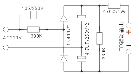
附:116灯LED串联供电的电源的电路原理图(以下元件参数在230V时,经过实测(安装本站的白光草帽灯)LED工作电流11MA,LED两端工作电压2.85V,整灯耗电量约为4W左右,实际照明效果的亮度相当60W白炽灯泡,接近20W日光灯的亮度。)
说明:白光草帽灯的推荐工作电流为20MA左右,但是,由于本灯LED数量多,安装密度大,所以采取降额使用,这样降低了温升,让发光二极管的寿命大大延长,理论寿命为10-20万小时,而白炽灯泡和日光灯管的寿命仅为0.3万小时!对于灯店、公司等照明用电大户来说,一年的电费就可以节省出LED灯的支出,同时还可以节省电工的的维护工资。

LED节能灯小常识
环保节能LED照明灯泡的优点:
◇高效节能 LED节能灯耗电量不到普通灯泡耗电量的十分之一 ,同样的亮度,节能效果非常明显。
◇超长寿命 本产品属于小功率半导体产品,正常使用几年很少会出问题,而普通灯泡的寿命则一般不长,是因为普通灯泡的钨丝热胀冷缩过程中很容易造成断丝,这也是传统灯泡的致命弱点。另外LED本身正向压降具有一定的恒压作用,所以能在较宽的电压范围下正常工作。
◇光线健康 光线中不含紫外线和红外线,无辐射,普通节能灯管和白炽灯光线中含有紫外线和红外线;
◇绿色环保 不含汞和铅等有害元素,得利于回收和利用,而且不会产生电磁干扰,普通灯管中含有汞和铅等有害元素,节能灯中的电子镇流器会产生电磁干扰;
◇保护视力 直流驱动,无频闪,普通灯都是交流驱动,就必然产生频闪; ◇光效率高 发热小,90%的电能转化为可见光,普通白炽灯80%的电能转化为热能,仅有20%电能转化为可见光;
◇安全系数高 所需电压、电流较小,发热较少,无安全隐患,可用于矿场等危险场所;
“led灯”广泛用于:
(一)家庭照明、装饰、客厅、卧室、壁灯、台灯、卫生间、阳台、厨房、顶灯、吧台、庭院、私家园林、景观照明。用电为此大幅小降。为了防盗,许多家庭把“led灯”变成“不花钱”的防盗灯,威慑盗贼,一夜开到天亮。
(二)学校、医院、工厂、办公室、商厦、写字楼、用于伏案工作的台灯,走廊、楼梯照明。
(三)市政照明、银行、基础设施、体育馆、机场、影院、工业设施、公共卫生。 (四)饭店、宾馆、酒店、商厦、招待所、超市、冷饮、蛋糕店、熟食店、酒吧、咖啡店、茶楼、文化娱乐、商业场所。
(五)广告、会展、演出、装饰。 (六)农村电力不足地区,在农村节俭的农民经常用15-25W的白焕灯照明,建设新农村“一度灯”农村市场巨大。
查看和发表评论 管理员一般会在8-48小时内回复,会删除无意义的留言以及重复留言,请保证留言标题清晰,内容明确! 1、评论不代表本站观点。 另外,即使是本站原创作品,本站也不保证内容绝对正确。 2、如果您拥有本文版权,并且不想在此处发表,请书面通知本站立即删除并且向您公开道歉! |