进入框架页面 

1. 闪烁灯

1.  实验任务

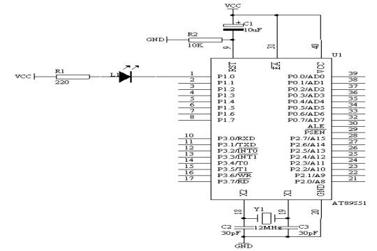
如图4.1.1所示:在P1.0端口上接一个发光二极管L1,使L1在不停地一亮一灭,一亮一灭的时间间隔为0.2秒。

2.  电路原理图

图4.1.1

3.  系统板上硬件连线

把“单片机系统”区域中的P1.0端口用导线连接到“八路发光二极管指示模块”区域中的L1端口上。

4.  程序设计内容

(1). 延时程序的设计方法

作为单片机的指令的执行的时间是很短,数量大微秒级,因此,我们要求的闪烁时间间隔为0.2秒,相对于微秒来说,相差太大,所以我们在执行某一指令时,插入延时程序,来达到我们的要求,但这样的延时程序是如何设计呢?下面具体介绍其原理:

 

如图4.1.1所示的石英晶体为12MHz,因此,1个机器周期为1微秒

机器周期 微秒

MOV R6,#20 2个  2

D1: MOV R7,#248 2个  2       2+2×248=498 20×

DJNZ R7,$ 2个  2×248             (498

DJNZ R6,D1 2个   2×20=40           10002

因此,上面的延时程序时间为10.002ms。

由以上可知,当R6=10、R7=248时,延时5ms,R6=20、R7=248时,延时10ms,以此为基本的计时单位。如本实验要求0.2秒=200ms,10ms×R5=200ms,则R5=20,延时子程序如下:

DELAY: MOV R5,#20
D1: MOV R6,#20
D2: MOV R7,#248
DJNZ R7,$
DJNZ R6,D2
DJNZ R5,D1
RET

(2). 输出控制

如图1所示,当P1.0端口输出高电平,即P1.0=1时,根据发光二极管的单向导电性可知,这时发光二极管L1熄灭;当P1.0端口输出低电平,即P1.0=0时,发光二极管L1亮;我们可以使用SETB P1.0指令使P1.0端口输出高电平,使用CLR P1.0指令使P1.0端口输出低电平。

5. 程序框图

   如图4.1.2所示

 

 

 

 

 

 

 

 图4.1.2

6. 汇编源程序
ORG 0
START: CLR P1.0
LCALL DELAY
SETB P1.0
LCALL DELAY
LJMP START
DELAY: MOV R5,#20 ;延时子程序,延时0.2秒
D1: MOV R6,#20
D2: MOV R7,#248
DJNZ R7,$
DJNZ R6,D2
DJNZ R5,D1
RET
END

7. C语言源程序
#include <AT89X51.H>
sbit L1=P1^0;

void delay02s(void) //延时0.2秒子程序
{
unsigned char i,j,k;
for(i=20;i>0;i--)
for(j=20;j>0;j--)
for(k=248;k>0;k--);
}


void main(void)
{
while(1)
{
L1=0;
delay02s();
L1=1;
delay02s();
}
}


以上资料来自于互联网!编辑整理:五一电子加油站;网址:http://51dz.com
欢迎光临五一电子商城!免费学习电子技术,面向全国邮购电子元件、实验套件!