进入框架页面 

4. 广告灯的左移右移

1. 实验任务

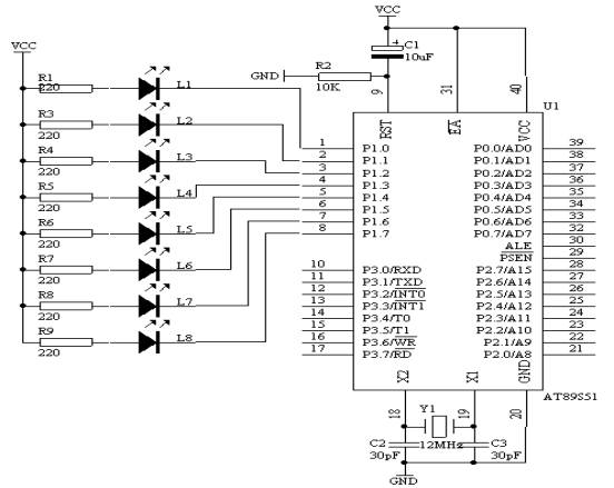
做单一灯的左移右移,硬件电路如图4.4.1所示,八个发光二极管L1-L8分别接在单片机的P1.0-P1.7接口上,输出“0”时,发光二极管亮,开始时P1.0→P1.1→P1.2→P1.3→┅→P1.7→P1.6→┅→P1.0亮,重复循环。

2. 电路原理图

图4.4.1

3. 系统板上硬件连线

把“单片机系统”区域中的P1.0-P1.7用8芯排线连接到“八路发光二极管指示模块”区域中的L1-L8端口上,要求:P1.0对应着L1,P1.1对应着L2,……,P1.7对应着L8。

4. 程序设计内容

我们可以运用输出端口指令MOV P1,A或MOV P1,#DATA,只要给累加器值或常数值,然后执行上述的指令,即可达到输出控制的动作。

每次送出的数据是不同,具体的数据如下表1所示

P1.7

P1.6

P1.5

P1.4

P1.3

P1.2

P1.1

P1.0

说明

L8

L7

L6

L5

L4

L3

L2

L1

 

1

1

1

1

1

1

1

0

L1亮

1

1

1

1

1

1

0

1

L2亮

1

1

1

1

1

0

1

1

L3亮

1

1

1

1

0

1

1

1

L4亮

1

1

1

0

1

1

1

1

L5亮

1

1

0

1

1

1

1

1

L6亮

1

0

1

1

1

1

1

1

L7亮

0

1

1

1

1

1

1

1

L8亮

表1

5. 程序框图

 

 

 

 

 

 

图4.4.2

 

6. 汇编源程序
ORG 0
START: MOV R2,#8
MOV A,#0FEH
SETB C
LOOP: MOV P1,A
LCALL DELAY
RLC A
DJNZ R2,LOOP
MOV R2,#8
LOOP1: MOV P1,A
LCALL DELAY
RRC A
DJNZ R2,LOOP1
LJMP START
DELAY: MOV R5,#20 ;
D1: MOV R6,#20
D2: MOV R7,#248
DJNZ R7,$
DJNZ R6,D2
DJNZ R5,D1
RET
END
7. C语言源程序
#include <AT89X51.H>
unsigned char i;
unsigned char temp;
unsigned char a,b;

void delay(void)
{
unsigned char m,n,s;
for(m=20;m>0;m--)
for(n=20;n>0;n--)
for(s=248;s>0;s--);
}
void main(void)
{
while(1)
{
temp=0xfe;
P1=temp;
delay();
for(i=1;i<8;i++)
{
a=temp<<i;
b=temp>>(8-i);
P1=a|b;
delay();
}
for(i=1;i<8;i++)
{
a=temp>>i;
b=temp<<(8-i);
P1=a|b;
delay();
}
}
}


以上资料来自于互联网!编辑整理:五一电子加油站;网址:http://51dz.com
欢迎光临五一电子商城!免费学习电子技术,面向全国邮购电子元件、实验套件!