进入框架页面 

7. I/O并行口直接驱动LED显示

1. 实验任务

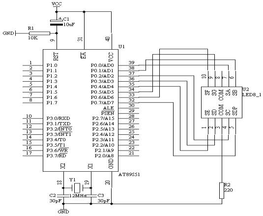
如图13所示,利用AT89S51单片机的P0端口的P0.0-P0.7连接到一个共阴数码管的a-h的笔段上,数码管的公共端接地。在数码管上循环显示0-9数字,时间间隔0.2秒。

2. 电路原理图

图4.7.1

3. 系统板上硬件连线

把“单片机系统”区域中的P0.0/AD0-P0.7/AD7端口用8芯排线连接到“四路静态数码显示模块”区域中的任一个数码管的a-h端口上;要求:P0.0/AD0与a相连,P0.1/AD1与b相连,P0.2/AD2与c相连,……,P0.7/AD7与h相连。

4. 程序设计内容

(1. LED数码显示原理

七段LED显示器内部由七个条形发光二极管和一个小圆点发光二极管组成,根据各管的极管的接线形式,可分成共阴极型和共阳极型。

LED数码管的g~a七个发光二极管因加正电压而发亮,因加零电压而不以发亮,不同亮暗的组合就能形成不同的字形,这种组合称之为字形码,下面给出共阴极的字形码见表2

“0”

3FH

 

“8”

7FH

 

“1”

06H

 

“9”

6FH

 

“2”

5BH

 

“A”

77H

 

“3”

4FH

 

“b”

7CH

 

“4”

66H

 

“C”

39H

 

“5”

6DH

 

“d”

5EH

 

“6”

7DH

 

“E”

79H

 

“7”

07H

 

“F”

71H

 

(2. 由于显示的数字0-9的字形码没有规律可循,只能采用查表的方式来完成我们所需的要求了。这样我们按着数字0-9的顺序,把每个数字的笔段代码按顺序排好!建立的表格如下所示:TABLE DB 3FH,06H,5BH,4FH,66H,6DH,7DH,07H,7FH,6FH

5.程序框图

 

 

 

 

 

 

 

图4.7.2

 

6. 汇编源程序
ORG 0
START: MOV R1,#00H
NEXT: MOV A,R1
MOV DPTR,#TABLE
MOVC A,@A+DPTR
MOV P0,A
LCALL DELAY
INC R1
CJNE R1,#10,NEXT
LJMP START
DELAY: MOV R5,#20
D2: MOV R6,#20
D1: MOV R7,#248
DJNZ R7,$
DJNZ R6,D1
DJNZ R5,D2
RET
TABLE: DB 3FH,06H,5BH,4FH,66H,6DH,7DH,07H,7FH,6FH
END
7. C语言源程序
#include <AT89X51.H>
unsigned char code table[]={0x3f,0x06,0x5b,0x4f,0x66,
0x6d,0x7d,0x07,0x7f,0x6f};
unsigned char dispcount;

void delay02s(void)
{
unsigned char i,j,k;
for(i=20;i>0;i--)
for(j=20;j>0;j--)
for(k=248;k>0;k--);
}

void main(void)
{
while(1)
{
for(dispcount=0;dispcount<10;dispcount++)
{
P0=table[dispcount];
delay02s();
}
}
}


以上资料来自于互联网!编辑整理:五一电子加油站;网址:http://51dz.com
欢迎光临五一电子商城!免费学习电子技术,面向全国邮购电子元件、实验套件!